


傳動鏈條
- 標準傳動鏈條 >
- 重載系列傳動滾子鏈條 >
- 開口銷型傳動滾子鏈條 >
- 高強度傳動鏈條 >
- 特殊傳動鏈條 >
- 免加油自潤滑傳動鏈條 >
- 耐環境傳動鏈條 >
- 齒形鏈條 >
- 石油鏈條 >
- 鏈條配件 >
小型輸送鏈條
- 通用小型輸送鏈條 >
- 免加油小型輸送鏈條 >
- 耐環境小型輸送鏈條 >
- 帶滾輪輸送鏈條 >
- 倍速鏈條 >
- 空心銷軸鏈條 >
- 側彎鏈條 >
- 尖齒鏈條 >
- 帶橡膠附板鏈條 >
- 帶U型附件鏈條 >
- 夾膜鏈條 >
- 工程塑料內節鏈條 >
- 塑料滾子鏈條 >
- 塑料輥道鏈條 >
- 中孔鏈條 >
- 特殊小型輸送鏈 >
- 帶特殊附件輸送鏈 >
大型輸送鏈條
- 通用大型輸送鏈條 >
- 特殊大型輸送鏈條 >
- 大型空心銷軸輸送鏈條 >
- 軸承滾子大型輸送鏈條 >
- 耐環境大型輸送鏈條 >
- 帶滾輪大型輸送鏈條 >
- 倍速大型輸送鏈條 >
- 滾針套筒大型輸送鏈條 >
- 帶特殊附件大型輸送鏈條 >
- 針對特殊用途輸送鏈條 >
- 大型輸送鏈條配件 >
特種輸送鏈條
- 電子波峰焊行業應用 >
- 電鍍設備行業應用 >
- 造紙廠行業應用 >
- 制藥廠包裝機行業應用 >
- 汽車廠行業應用 >
- 牙膏包裝輸送線行業應用 >
- 光伏設備制造行業應用 >
- 畜牧業自動化包裝機鏈條 >
- 巧克力食品行業應用 >
- 人造板/木地板制造行業應用 >
- 醫療設備行業應用 >
- 啤酒廠易拉罐生產線輸送鏈條 >
- 速凍隧道鏈條 >
- 糖機鏈條 >
- 啤酒灌裝輸送鏈條 >
- 人造板輸送鏈條 >
- 噴涂設備輸送鏈條 >
- 煙草機械輸送鏈條 >
- 提升機用鏈條 >
- 紡織機械用鏈條 >
- 紙卷用輸送鏈條 >
- 印鐵烘房線鏈條 >
- 雙向活動鏈條 >
- 刮板輸送鏈條 >
- 洗煤機用輸送鏈條 >
- 堆取料機輸送鏈條 >
- 橡膠手套輸送鏈條 >
- 污水處理輸送鏈條 >
- 雙鉸接輸送鏈條 >
- 鋼廠用輸送鏈條 >
- 塊式輸送鏈條 >
- 筑路機械鏈條 >
- 棕油鏈條 >
- 汽車生產線鏈條 >
- 軟管專用鏈條 >
- 聚酯薄膜橫拉鏈條 >
- 鋪路機用鏈條 >
- 包裝機械鏈條 >
- 挖溝機鏈條 >
- 礦山冶金鏈條 >
- 木材輸送鏈條 >
- 糧食機械輸送鏈條 >
- 垃圾處理用輸送鏈條 >
- 鋼卷傳輸用輸送鏈條 >
工程鏈條
- 工程鋼制套筒鏈條 >
- 鋼制銷合鏈條 >
- 焊接結構彎板鏈條 >
- 曳引用焊接結構彎板鏈條 >
起重鏈條
- 板式鏈條 >
- 堆高機用板式鏈條 >
- LH系列板式鏈連接環 >
- LL系列板式鏈連接環 >
- LH系列板式鏈連接銷軸 >
- LL系列板式鏈鏈接銷軸 >
- 多板銷軸鏈條 >
- 無滾子提升鏈條 >
不銹鋼鏈條
- 不銹鋼滾子鏈條 >
- 不銹鋼滾子鏈條附件 >
- 不銹鋼雙節距輸送鏈條 >
- 不銹鋼雙節距輸送鏈條附件 >
- 不銹鋼空心銷軸鏈條 >
- 不銹鋼側彎鏈條 >
- 不銹鋼加長銷輸送鏈條 >
- 不銹鋼倍速鏈條 >
- 不銹鋼帶滾輪輸送鏈條 >
- 不銹鋼大型輸送鏈 >
- 不銹鋼特種輸送鏈條 >
頂板鏈/鏈板
鏈輪
- 銷齒傳動 >
同步帶輪
- XLH標準梯形齒同步帶輪 >
- HTP圓弧齒同步帶輪 >
- T型齒同步帶輪 >
- AT型齒同步帶輪 >
- BTL錐孔同步帶輪 >
- HTP型錐孔同步帶輪 >
齒輪齒條
蝸輪蝸桿
聯軸器
聯結件
- B系列脹緊套 >
- E系列脹緊套 >
- D系列脹緊套 >
- F系列脹緊套 >
- T系列脹緊套 >
- ML系列脹緊套 >
- HL系列脹緊套 >
- SD系列脹緊套 >
- SS系列脹緊套 >
- SK系列脹緊套 >
- BTL系列錐套 >
- QTL系列錐套 >
- STL系列錐套 >
圓環鏈&吊具
- 礦用圓環鏈條 >
- 冶金專用吊具系列鏈條 >
- 吊裝圓環鏈條 >
- 提升圓環鏈條 >
- 船用/捕魚用圓環鏈條 >
- 出渣機用圓環鏈條 >
- 景觀橋索鞍索夾 >
輸送帶
- 鋼絲繩芯輸送帶 >
- 織物芯輸送帶 >
- 礦用耐沖擊輸送帶 >
- 芳綸輸送帶1 >
- 耐高溫輸送帶 >
- 阻燃輸送帶 >
- 金屬網芯輸送帶1 >
- 鋼絲繩牽引輸送帶1 >
- 管狀輸送帶 >
- 花紋輸送帶2 >
- 覆蓋帶 >
- 擋邊輸送帶 >
- 防附著輸送帶2 >
- 節電型輸送帶2 >
- 防撕裂輸送帶 >
- 隧道用輕型鋼絲繩芯輸送帶2 >
- 特殊高伸長度聚酯帆布輸送帶2 >
- 提升帶1 >
- 夾帶式輸送機覆蓋帶1 >
- 水壓機外胎(膠墊)1 >
- 實際案例 >
脹緊套
離合器
過載保護設備
大型輸送鏈 DT規格特點 |
◎ 對銷軸和套筒實施了熱處理,對鏈板沒有實施。
◎ 可使用溫度環境: -20°C~200°C。
大型輸送鏈 AT規格特點 |
◎ AT規格具有比DT規格(通用輸送鏈)大約一倍的抗拉強度,而且提高了套筒和滾子之間的耐磨損性和滾子的容許負荷。
◎ 使用溫度環境 : -60°C~400°C。
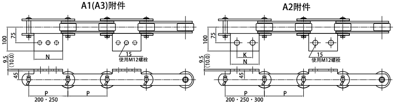
附件的種類 |
◎ 附件是為了將夾具安裝在鏈條上的零部件,可根據客戶要求設定安裝間隔。
◎ 附件可配裝在每一個鏈節以上的鏈節間隔,如每偶數鏈節安裝,為了容易進行保養,安裝在外鏈節。
A附件 SA附件 CA附件
在鏈條單側上帶有螺孔的附件形式。A1: 在鏈條單側帶有螺孔垂直附件形式。SA1 安裝網狀物
一個孔,A2:兩個孔(RS型僅有一個孔) :一個孔,SA2:兩個孔 用于無間隙的板條安裝
[圖片: 每一個鏈節帶A1附件] [圖片:帶SA2附件] [圖片: 帶CA2附件]
K附件 SK附件 GA附件
在鏈條兩側帶有螺孔附件的形式。K1: 一 在鏈條兩側帶有螺孔垂直附件形式。SK1: 只單側鏈板有螺栓孔的形式。
個孔、K2: 兩個孔(RS型僅有一個孔) 一個孔,SK2:兩個孔(RS型僅有一個孔) 根據螺栓孔數量依次稱為GA2,GA4
[圖片: 每一個鏈節帶K1附件] [圖片: 帶SK2附件] [圖片: 帶GA4附件]
AA附件
在鏈條單側上下面都帶有螺孔附件的形式。
AA1:一個孔、AA2:兩個孔(RS型僅有一個孔)
[圖片: 帶AA3附件]
特殊附件
我們備有按客戶要求制造附件形式。
型號表示 |

(1)鏈條尺寸
(2)滾子類型:R = R滾子, F = F滾子, S = S滾子, M = M滾子
(3)鏈條規格:DT=經濟型通用類型
(4)附件安裝間隔
(5)附件的形式
訂購方法 |
如需訂購,請致電我司,或者在公司網頁上點擊咨詢客服,以便給到您最合適的選擇。



粵公網安備 44011202001507號